Please note: SKY96500-11 is being discontinued and is not recommended for new designs.
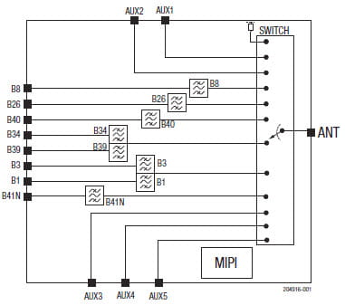
The SKY96500-11 is a single-pole, twelve-throw (SP12T) antenna
switch module with integrated filters and a Mobile Industry
Processor Interface (MIPI), Version 2.0. Receive filters for bands 1,
3, 26(5), 8, 34, 39, 40, and 41N are integrated into the module.
Using advanced switching technologies, the SKY96500-11
maintains low insertion loss and high isolation for receive
switching paths. The high-linearity performance and low insertion
loss achieved by the SKY96500-11 makes it an ideal choice for
UMTS, CDMA2000, and LTE applications.
Switching is controlled by an integrated MIPI interface. Depending
on the logic applied to the decoder, the antenna pin is connected
to as many as 3 of 12 switched RF ports using a low insertion loss
path, while the paths between the antenna pin and the other RF
pins are in a high isolation state. No external DC blocking
capacitors are required on the RF paths.
The SKY96500-11 is manufactured in a compact,
3.2 x 3.0 x 0.65 mm, 22-pin surface-mount Quad Flat No-Lead
(QFN) package.