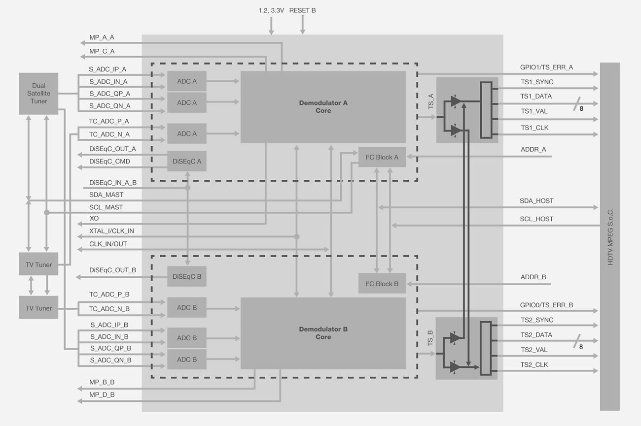
Si21692/682-D dual demodulators integrate two separate high-performance single demodulators in a compact 8x8 mm QFN package and support DVB-T2/S2X/S2/T/C/S and DVB-T2/T/C. Leveraging our proven digital demodulation architecture, each embedded demodulator achieves excellent reception performance for each media while significantly minimizing front-end design complexity and cost. Connecting the Si21692/682-D to a dual terrestrial/cable TV tuner and a dual satellite tuner results in a high-performance and cost optimized dual-channel TV or STB front-end solution.
Our DVB-T2 (including T2-Lite) demodulators support all modes specified by the DVB-T2 standard (V1.3.1) and features include: SISO and MISO support, FEF management, fully autonomous signal acquisition including automatic L1 signaling parsing support for all pilot patterns and DVB-T2/T auto-detection. The satellite demodulation functionality allows demodulating widespread DVB-S, DIRECTV™ (DSS), DVB-S2 and DIRECTV™ (AMC) legacy standards, as well as new Part II of DVB-S2 (S2X) satellite broadcast standard. A zero-IF interface allows for a seamless connection to market-proven satellite silicon tuners.
The Si216x2 embeds two independent programmable transport stream interfaces which provide a flexible range of output modes, including a TS cross-bar functionality, and are fully compatible with all MPEG decoders or conditional access modules to support any application.