Why Isolation is Critical in an EV or
HEV Battery Management System
The Battery Management System (BMS) manages stored power in an on-board high voltage (HV) battery and delivers power to the rest of the vehicle. Main functions include cell balancing, cell health and wear leveling, charge and discharge monitoring and safety assurance. All of these functions require galvanic isolation to separate lower voltage systems from high voltage domains.
EVs utilize Battery Management Systems for the main battery-based power supply, and HEVs use BMS for battery-side portion of power, complimentary to the internal combustion engine (ICE). BMS monitors the voltage, current, temperature, and wear leveling of battery cells. Additional functions include monitoring faults, system health, available energy and remaining useful lifetime. Individual lithium-ion battery cells are in the 3 – 4V range. They are connected in series to deliver higher voltage, and in parallel to increase capacity.
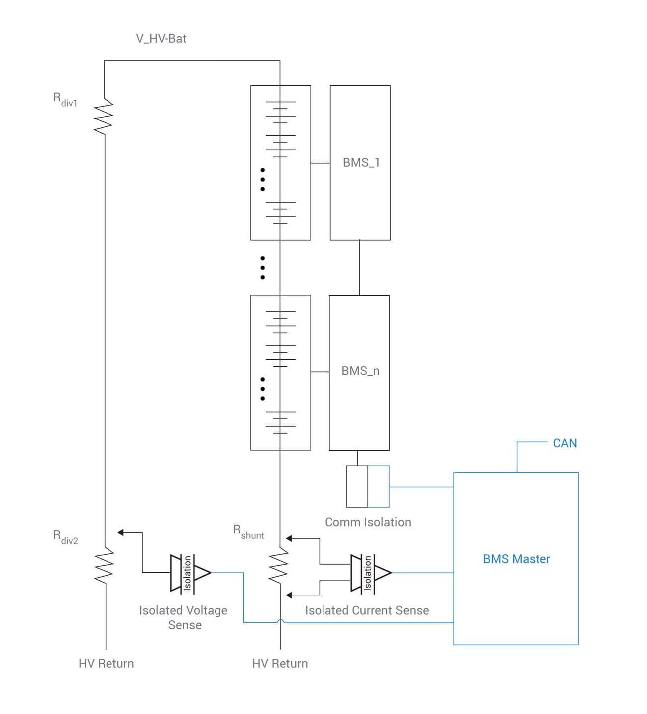
To monitor the modules and cells, the Battery Management Sysytem may have a centralized architecture, or a distributed/modular architecture consisting of a BMS master and several remote BMS units. In distributed BMS systems, remote units monitoring individual cells may be connected in parallel to the BMS master, or they may be daisy-chained in series. In any case, connections from the battery modules or BMS remote units to the BMS master must be isolated to protect the BMS master from the battery voltages.
The diagram below depicts a distributed Battery Management System with multiple packs of cells, each with a remote BMS control unit. In this configuration, measurements on cells within the battery modules are made by the remote BMS units and reported over a series connection to the BMS Master controller. Current measurement for the full stack is made using a shunt resistor at the bottom of the stack and an isolated current amp, such as Si892x. The BMS controller can calculate the voltage of the full stack by summing the voltages of the modules, but a redundant safety-check isolated voltage measurement of the full stack can be made using a resistor divider and isolated voltage sense amp. The entire system can be monitored and controlled via an automotive bus such as CAN which is isolated with digital isolators, including Si86xx and digital isolators with integrated dc-dc power converters such as Si88xx.