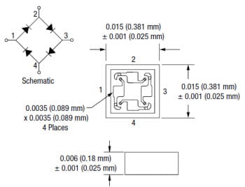
The Skyworks SMS3926-099 family of Si Schottky diodes are configured as ring quads intended for use in double-balanced mixers. Each ring quad die is comprised of four Schottky junctions, connected anode to cathode. SMS3926-099 is composed of low barrier diodes, which can be driven with low-power local oscillator signals These ring quads are 100% tested, sawn and supplied on film frame in wafer quantities.