Please note: SMS3927-099 is being discontinued and is not recommended for new designs.
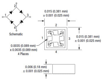
The Skyworks SMS3927-099 family of Si Schottky diodes are configured as ring quads intended for use in double-balanced mixers. Each ring quad die is comprised of four Schottky junctions, connected anode to cathode. SMS3927-099 is composed of medium barrier diodes, for applications in which moderate-power local oscillator signals are available. These ring quads are 100% tested, sawn and supplied on film frame in wafer quantities.