Frequency (GHz) Min.5.15
Frequency (GHz) Max.5.85
Typ. Current @ VDD = 3.3 V 17.5dBm (mA)
Typ. Current @ VDD = 3.6 V 17.5dBm (mA)250
Typ. Current @ VCC = 3.6 V (mA)
Typ. POUT @ 3.0% EVM (dBm)
Typ. Current @ VCC = 5 V (mA)
802.11 WLAN Standarda/n/ac
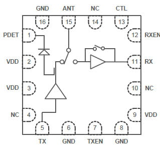
Antenna Ports
Architecture
Typ. POUT @ 2.5% EVM (dBm)
Typ. Tx Gain (dB)29
Typ. POUT (dBm)17 @ -35dB EVM
18.5 @ -30dB EVM
VDD (V)3.3-4.8
VCC (V)
Package
Package (mm)2.5 x 2.5 x 0.45