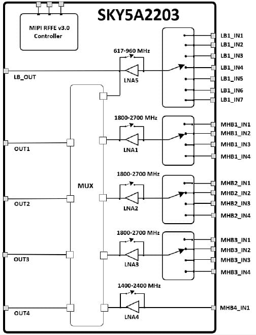
The SKY5A2203 is a complete LB/LMB/MHB LNA bank module that integrates high linearity, superior gain, and industry-leading noise figure (NF) performance. The SKY5A2203 is part of our Sky5® product portfolio.
The SKY5A2203 includes five LNAs with MUX output
ports for automotive NAD or CPE devices. The device
supports cellular receiver functions.
The LNA module supports all key two- and three-carrier
aggregation band combinations with proper
external filters.
High-performance, multi-gain mode LNAs are enabling
compatibility to next generation LNA-less LTE
transceivers. The SKY5A2203 is compatible with 3GPP
GSM, WCDMA, LTE, LTE-A, and 5G standards.