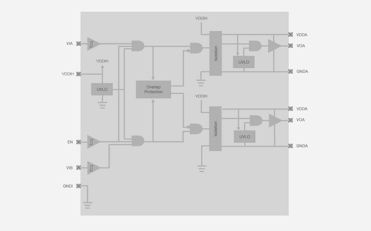
Our Si825xx products are robust gate drivers for Silicon, GaN or SiC based power converter systems such as SMPS or inverters. This family has upgraded features such as a high voltage input (logic side) VDD supply pin that supports up to 20 V. It has a robust 30 V driver VDD capability, low latency for tighter loop control, high CMTI of 125 kV/µs, -5 V voltage withstand on output pins and over-temperature protection. These also feature a driver boost stage which provides an increased current drive capability during the Miller plateau region for faster turn-on times. Based on Skyworks’ proprietary CMOS capacitive isolation technology, these products deliver superior performance in terms of robust isolation rating to enable driving state-of-the-art GaN or SiC FETs for maximizing system efficiency while ensuring safety with features such as UVLO protection and dead-time programmability.