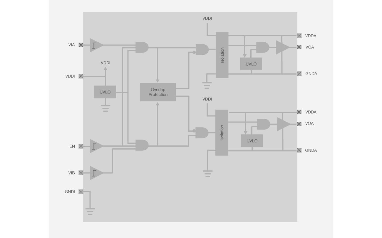
The Si827x provides options for either a single driver or a combination of two 4 A isolated drivers in a single package for isolated gate drive applications. The Si827x, with its high-performance noise immunity, eliminates the risk posed by faster switching speeds. The high noise transients generated by the faster switching will not affect signal integrity through the driver, thereby eliminating the risk of loss of modulation. The ultra-high latch-up spec of 400 kV/µs makes the Si827x extremely robust and will prevent permanent latch-up damage.
The Si827x has an EN (active high) instead of the usual DIS (active low) pin, UVLO fault protection, a de-glitch feature for filtering noisy inputs and highly precise dead time (DT pin) programmability. With this feature, users can precisely control the “dead time” between the two drivers switching to optimize system efficiency and safety. The drivers operate with a wide range of 2.5 V - 5.5 V input VDD and a maximum drive supply voltage of 30 V.
The lower VDDI voltage capability of 2.5 V lets users design with a low voltage power supply consuming less power, increasing system efficiency, and providing compatibility with low power MCUs. The isolation is based on the Skyworks' proprietary capacitive coupled technology, which offers low EMI emissions, long lifetimes, fast and accurate timing specs, and a wide temperature range of -40°C to +125°C. Devices are offered in a choice of compact packages, including NB SOIC (8 and 16 pin) and a compact 5x5 mm QFN.