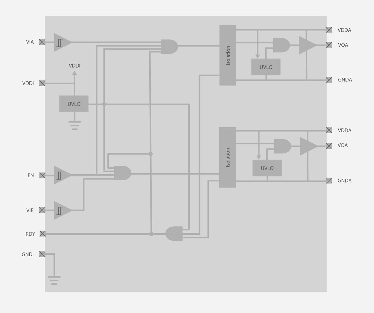
Si8239x automotive isolators are ideal for driving power MOSFETs and IGBTs used in a wide variety of electric vehicle applications. Based on our automotive grade production and proprietary silicon isolation technology, Si8239x isolators provide high noise immunity, low prop delays and skew, reduced variation with temperature and age, and tight part-to-part matching. Si8239x devices support up to 5 kVrms withstand voltages and combine two isolated drivers, with either an independent input control or a single input for high power applications. Si8239x isolators offer many distinct features, including an output UVLO fault detection, feedback, automatic shutdown for both drivers, an EN (active high) instead of a DIS (active low) pin, a safe delayed start-up time of 1 ms, fail-safe drivers with default low in case of VDDI power-down and highly precise dead time programmability. All drivers operate with a 2.5 V - 5.5 V input VDD and a maximum drive supply voltage of 24 V.