The SKY66409-11 is a high-performance, fully integrated
RF front-end module (FEM) designed for
Zigbee®, Thread, and Bluetooth® (including low
energy) applications.
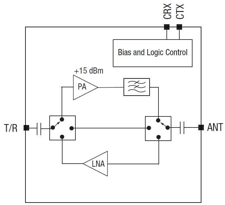
The SKY66409-11 is designed for ease of use and maximum
flexibility. The device provides a power amplifier,
low-noise amplifier, low-loss bypass path, transmit/
receive switches, and digital controls compatible with
1.2 V to 3.6 V CMOS levels. The RF blocks operate over
a wide supply voltage range from 1.8 V to 3.6 V that
allows the SKY66409-11 to be used in battery powered
applications over a wide spectrum of the battery discharge
curve.
The SKY66409-11 is provided in a 1.25 mm x 1.7 mm x 0.35
mm, 12-pin Chip Scale Package (CSP).